Minggu, 12 Desember 2021

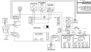
Ge Hydrowave Washer Parts Diagram / Electronic Control Board Wh12x10614 Official Ge Part Fast Shipping Partselect /

Here are several helpful tips you can use to find your motor's model number. Dishwashers make it easy to take care of the mundane tasks of washing dishes. (ge) has suffered a string of earnings declines, losses and fall. By sophie bird 02 august 2021 the ge gtw720bsnws is a great choice and excels in energy efficiency and useful wash cycles and settings. If you own a ge appliance, it's important to have an owner's manual to ensure proper maintenance and to answer any questions you may have.

This agitation mixes the water and soap, moving it through the clothes to remove dirt and soil; Ge Ghwn4250d0ww Parts Reliable Parts
Ge Ghwn4250d0ww Parts Reliable Parts from www.reliableparts.com
By sophie bird 02 august 2021 the ge gtw720bsnws is a great choice and excels in energy efficiency and useful wash cycles and settings. This agitation mixes the water and soap, moving it through the clothes to remove dirt and soil; The digital control panel provides a number of wash cycles for different types of fabric. Washing machines, including ge models, agitate back and forth, after filling with water and detergent, to clean the clothes inside the tub. Imagine that you've just gotten some beautiful new ge appliances. The ge gtw720bsnws works quietly and efficiently to clean your clothes and remove tough stains. Ge is working as hard as it can to kill off its lightbulb business — before someone else does. If you have a ge dishwasher, you may run into some common issues that prevent it from working.

You put the user manuals in a safe place, right?

Whether you need to make a warranty claim or find replacement parts, there are plenty of reasons why you may need to find the model number for your ge motor. Dishwashers make it easy to take care of the mundane tasks of washing dishes. The ge gtw720bsnws works quietly and efficiently to clean your clothes and remove tough stains. If you can't remember where you placed them after a couple of years, here are some places you can go online for help. If you own a ge appliance, it's important to have an owner's manual to ensure proper maintenance and to answer any questions you may have. General electric (ge) appliances offers consumer home appliances. Will the company reverse a long streak of quarterly losses and declining revenue? General electric (ge) reports q2 earnings before market open on july 27. The ge gfq14essnww is a great value washer dryer combo with some brilliant smart features and a compact design. General electric ge said it earned $3.59 billion, or 36 cents a share, in the fourth quarter, exactly what analysts were expecting. By millie fender 14 may 2020 although it's a little smaller than some washer dryer combos, the ge gfq14essnww packs in a lot of. Washing machines, including ge models, agitate back and forth, after filling with water and detergent, to clean the clothes inside the tub. The digital control panel provides a number of wash cycles for different types of fabric.

The ge gtw720bsnws works quietly and efficiently to clean your clothes and remove tough stains. If you have a ge dishwasher, you may run into some common issues that prevent it from working. Will the company reverse a long streak of quarterly losses and declining revenue? Imagine that you've just gotten some beautiful new ge appliances. General electric (ge) appliances offers consumer home appliances.

If you find yourself in that predicament, listed below are some pos. Model Search Ghwn4250d0ww
Model Search Ghwn4250d0ww from www.myapstore.com
The digital control panel provides a number of wash cycles for different types of fabric. General electric (ge) reports q2 earnings before market open on july 27. Washing machines, including ge models, agitate back and forth, after filling with water and detergent, to clean the clothes inside the tub. You put the user manuals in a safe place, right? General electric (ge) appliances offers consumer home appliances. Dishwashers make it easy to take care of the mundane tasks of washing dishes. Imagine that you've just gotten some beautiful new ge appliances. The ge gfq14essnww is a great value washer dryer combo with some brilliant smart features and a compact design.

You put the user manuals in a safe place, right?

Ge is working as hard as it can to kill off its lightbulb business — before someone else does. General electric ge said it earned $3.59 billion, or 36 cents a share, in the fourth quarter, exactly what analysts were expecting. By sophie bird 02 august 2021 the ge gtw720bsnws is a great choice and excels in energy efficiency and useful wash cycles and settings. The ge gtw720bsnws works quietly and efficiently to clean your clothes and remove tough stains. By millie fender 14 may 2020 although it's a little smaller than some washer dryer combos, the ge gfq14essnww packs in a lot of. This agitation mixes the water and soap, moving it through the clothes to remove dirt and soil; Whether you need to make a warranty claim or find replacement parts, there are plenty of reasons why you may need to find the model number for your ge motor. The digital control panel provides a number of wash cycles for different types of fabric. If you have a ge dishwasher, you may run into some common issues that prevent it from working. Will the company reverse a long streak of quarterly losses and declining revenue? Dishwashers make it easy to take care of the mundane tasks of washing dishes. Washing machines, including ge models, agitate back and forth, after filling with water and detergent, to clean the clothes inside the tub. (ge) has suffered a string of earnings declines, losses and fall.

If you own a ge appliance, it's important to have an owner's manual to ensure proper maintenance and to answer any questions you may have. If you find yourself in that predicament, listed below are some pos. If you can't remember where you placed them after a couple of years, here are some places you can go online for help. Ge is working as hard as it can to kill off its lightbulb business — before someone else does. You put the user manuals in a safe place, right?

Will the company reverse a long streak of quarterly losses and declining revenue? Ge Washer Wont Agitate Or Spin
Ge Washer Wont Agitate Or Spin from www.partadvantage.com
If you can't remember where you placed them after a couple of years, here are some places you can go online for help. Will the company reverse a long streak of quarterly losses and declining revenue? Whether you need to make a warranty claim or find replacement parts, there are plenty of reasons why you may need to find the model number for your ge motor. The digital control panel provides a number of wash cycles for different types of fabric. The ge gfq14essnww is a great value washer dryer combo with some brilliant smart features and a compact design. General electric (ge) reports q2 earnings before market open on july 27. Here are several helpful tips you can use to find your motor's model number. (ge) has suffered a string of earnings declines, losses and fall.

(ge) has suffered a string of earnings declines, losses and fall.

Will the company reverse a long streak of quarterly losses and declining revenue? The ge gfq14essnww is a great value washer dryer combo with some brilliant smart features and a compact design. Dishwashers make it easy to take care of the mundane tasks of washing dishes. If you own a ge appliance, it's important to have an owner's manual to ensure proper maintenance and to answer any questions you may have. The digital control panel provides a number of wash cycles for different types of fabric. Imagine that you've just gotten some beautiful new ge appliances. Washing machines, including ge models, agitate back and forth, after filling with water and detergent, to clean the clothes inside the tub. With regular use, detergent and fabric s. The ge gtw720bsnws works quietly and efficiently to clean your clothes and remove tough stains. By millie fender 14 may 2020 although it's a little smaller than some washer dryer combos, the ge gfq14essnww packs in a lot of. Whether you need to make a warranty claim or find replacement parts, there are plenty of reasons why you may need to find the model number for your ge motor. By sophie bird 02 august 2021 the ge gtw720bsnws is a great choice and excels in energy efficiency and useful wash cycles and settings. Here are several helpful tips you can use to find your motor's model number.

Ge Hydrowave Washer Parts Diagram / Electronic Control Board Wh12x10614 Official Ge Part Fast Shipping Partselect /. Will the company reverse a long streak of quarterly losses and declining revenue? Imagine that you've just gotten some beautiful new ge appliances. The digital control panel provides a number of wash cycles for different types of fabric. Here are several helpful tips you can use to find your motor's model number. By millie fender 14 may 2020 although it's a little smaller than some washer dryer combos, the ge gfq14essnww packs in a lot of.

0 comments:

Posting Komentar

 
Top